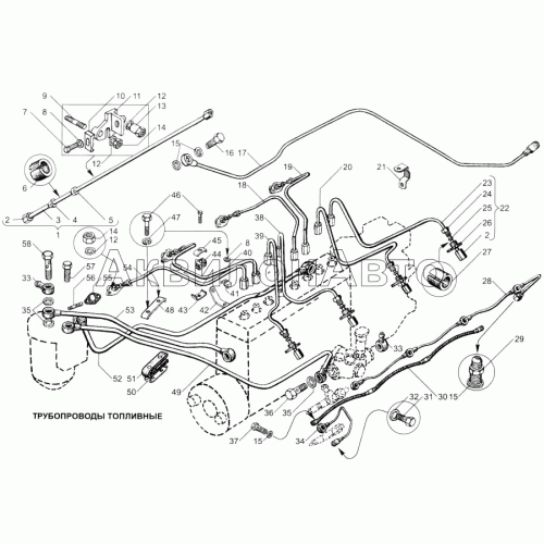
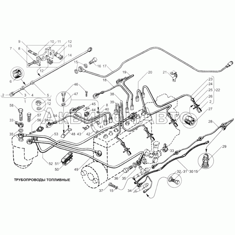
| № | Номер детали | Наименование детали | |
|---|---|---|---|
| 238-1104346-В2 | Трубка отводящая в сборе |
Трубка отводящая в сборе
|
|
| 238БМ-1104306 | Трубка высокого давления в сборе | ||
| 238БМ-1104310 | Трубка высокого давления 1-ой секции | ||
| 238БМ-1104312 | Трубка высокого давления 2-ой секции | ||
| 238БМ-1104314 | Трубка высокого давления 3-ей секции | ||
| 238БМ-1104316 | Трубка высокого давления 4-ой секции | ||
| 238БМ-1104318 | Трубка высокого давления 5-ой секции | ||
| 238БМ-1104320 | Трубка высокого давления 6-ой секции | ||
| 238БМ-1104322 | Трубка высокого давления 7-ой секции | ||
| 238БМ-1104324 | Трубка высокого давления 8-ой секции | ||
| 238БМ-1104384-10 | Трубка отводящая в сборе | ||
| 312670-П29 | Шайба | ||
| 7511.1104308-10 | Трубка высокого давления в сборе | ||
| 1 | 238БМ-1104308 | Трубка высокого давления в сборе | |
| 2 | 314721-П29 | Гайка | |
| 3 | 238БМ-1104340 | Трубка высокого давления | |
| 4 | 840.1112534 | Втулка | |
| 5 | 240-1104343 | Шайба | |
| 6 | 240-1104344-А | Уплотнитель | |
| 7 | 201420-П29 | Болт М6х20 | |
| 8 | 252004-П29 | Шайба | |
| 9 | 310460-П29 | Шпилька | |
| 10 | 240-1104358 | Колодка крепления топливной трубки | |
| 11 | 840.1112546 | Фланец | |
| 12 | 252135-П2 | Шайба пружинная | |
| 13 | 840.1112548 | Гайка специальная | |
| 14 | 250511-П29 | Гайка | |
| 15 | 312482-П34 | Шайба | |
| 16 | 310122-П29 | Болт М10х1х22 |
Болт М10х1х22
|
| 17 | 238-1104346-В | Трубка отводящая в сборе |
Трубка отводящая в сборе
|
| 18 | 7511.1104318-10 | Трубка высокого давления 5-ой секции | |
| 19 | 7511.1104320-10 | Трубка высокого давления 6-ой секции | |
| 20 | 7511.1104322-10 | Трубка высокого давления 7-ой секции | |
| 21 | 315484-П29 | Кляммер | |
| 22 | 7511.1104324-10 | Трубка высокого давления 8-ой секции | |
| 23 | 7511.1104340-10 | Трубка высокого давления | |
| 24 | 7511.1104359 | Втулка нажимная | |
| 25 | 7511.1104342 | Шайба | |
| 26 | 7511.1104345 | Фланец | |
| 27 | 7511.1104344 | Уплотнитель |
Уплотнитель
|
| 28 | 238-1104370-Б | Трубка дренажная в сборе | |
| 29 | 314650-П29 | Ниппель |
Ниппель
|
| 30 | 238БМ-1104373 | Трубка отводящая от головок | |
| 31 | 238БМ-1104433 | Болт | |
| 32 | 238БМ-1104434 | Шайба | |
| 33 | 236-1104430 | Наконечник трубки |
Наконечник трубки
|
| 34 | 238БМ-1104370 | Трубка дренажная в сборе | |
| 35 | 312326-П34 | Шайба уплотнительная | |
| 36 | 310096-П2 | Болт специальный М14х1,5х30 | |
| 37 | 310239-П29 | Болт |
Болт
|
| 38 | 7511.1104316-10 | Трубка высокого давления 4-ой секции | |
| 39 | 7511.1104314-10 | Трубка высокого давления 3-ей секции | |
| 40 | 7511.1104312-10 | Трубка высокого давления 2-ой секции | |
| 41 | 238НБ-1017144 | Колодка | |
| 42 | 7511.1104352 | Кронштейн | |
| 43 | 240-1104459 | Скоба | |
| 44 | 240-1104350 | Прокладка | |
| 45 | 240-1104458 | Скоба крепления воздухопроводов | |
| 46 | 201422-П29 | Болт М6х25 | |
| 47 | 252134-П2 | Шайба пружинная | |
| 48 | 236-1104440 | Скоба | |
| 49 | 238БМ-1104422 | Трубка отводящая от насоса топливоподкачивающего | |
| 50 | 236-1104441 | Скоба | |
| 51 | 236-1104457-Б | Прокладка | |
| 52 | 238БМ-1104426 | Трубка подводящая в сборе |
Трубка подводящая в сборе
|
| 53 | 238БМ-1104384 | Трубка отводящая в сборе |
Трубка отводящая в сборе
|
| 54 | 7511.1104310-10 | Трубка высокого давления 1-ой секции | |
| 55 | 240-1104369 | Прокладка | |
| 56 | 216233-П29 | Шпилька | |
| 57 | 310260-П29 | Болт М14х1,5х35 | |
| 58 | 310236-П29 | Болт |
Болт
|


