- Модель: ЯМЗ-236 М2 и 238 М2
- Цены и наличие уточняйте по телефонам
- +375 (29) 655-44-22
- +375 (29) 624-09-45
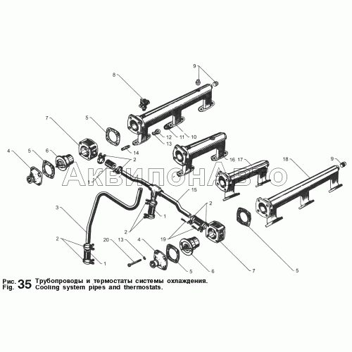
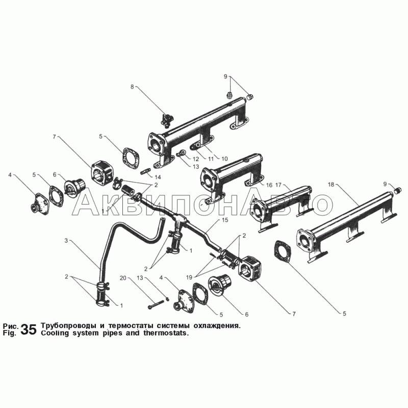
| № | Номер детали | Наименование детали | |
|---|---|---|---|
| 1 | 236-1306084 | Рукав соединительный |
Рукав соединительный
|
| 2 | 316215-П | Хомут в сборе | |
| 3 | 236-1306080-А2 | Трубка перепускная |
Трубка перепускная
|
| 4 | 236-1306053 | Патрубок коробок термостата | |
| 5 | 236-1306054-А | Прокладка | |
| 6 | ТС107-1306100-06 | Термостат водяной | |
| 7 | 236-1306052 | Коробка водяного термостата |
Коробка водяного термостата
|
| 9 | 316169-П2 | Пробка К3/8" | |
| 10 | 238-1003290-В | Труба водяная правая |
Труба водяная правая
|
| 11 | 236-1003292 | Прокладка фланца | |
| 12 | 250511-П29 | Гайка | |
| 13 | 252135-П2 | Шайба пружинная | |
| 14 | 216235-П29 | Шпилька | |
| 15 | 236-1306070-А3 | Трубка соединительная |
Трубка соединительная
|
| 16 | 236-1003290-В | Труба водяная правая |
Труба водяная правая
|
| 17 | 236-1003291-В | Труба водяная левая |
Труба водяная левая
|
| 18 | 238-1003291-В | Труба водяная левая |
Труба водяная левая
|
| 19 | 297575-П29 | Шплинт | |
| 20 | 200276-П29 | Болт М8х85 |
Болт М8х85
|


