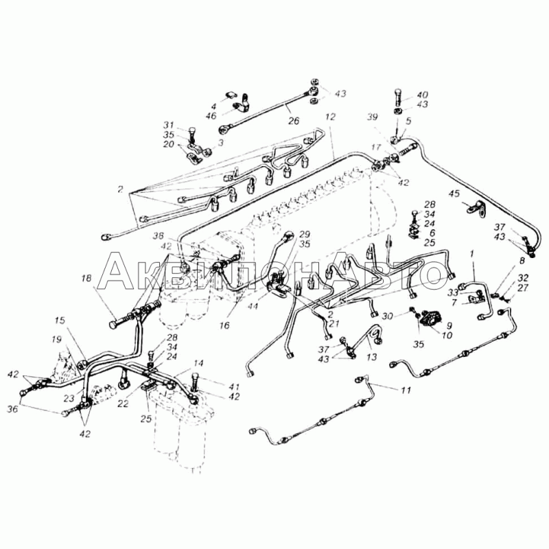
- Модель: ЯМЗ-240, 240Б, 240Н, 240П
- Цены и наличие уточняйте по телефонам
- +375 (29) 655-44-22
- +375 (29) 624-09-45
| № | Номер детали | Наименование детали | |
|---|---|---|---|
| 1 | 240-1104300-Б | Трубка топливная высокого давления форсунки |
Трубка топливная высокого давления форсунки
|
| 2 | 240-1104308-Г | Трубка топливная высокого давления | |
| 3 | 240-1104336-Б | Втулка | |
| 4 | 240-1104337 | Прокладка кляммера | |
| 5 | 240-1104346-А | Трубка топливная отводящая | |
| 6 | 240-1104350 | Прокладка | |
| 7 | 240 1104352 | Кронштейн | |
| 8 | 240 1104358 | Колодка | |
| 9 | 240 1104360-Б | Переходник | |
| 10 | 240 1104368 | Прокладка | |
| 11 | 240-1104370 | Трубка топливная дренажная форсунки | |
| 12 | 240 1104384-А | Трубка отводящая | |
| 13 | 240-1104390-А | Трубка отводящая | |
| 14 | 240-1104410-А | Трубка топливная отводящая фильтра грубой очистки | |
| 15 | 240 1104422-А | Трубка топливного насоса | |
| 16 | 240-1104426 | Трубка топливная подводящая топливного насоса высокого давления | |
| 17 | 236-1104430 | Наконечник трубки |
Наконечник трубки
|
| 18 | 240 1104433 | Болт | |
| 19 | 240-1104436 | Трубка топливная отводящая фильтра грубой очистки | |
| 20 | 240 1104440-Б | Колодка | |
| 21 | 236 1104442-Б | Прокладка | |
| 22 | 240 1104442 | Прокладка | |
| 23 | 240-1104450 | Трубка топливная отводящая топливного насоса | |
| 24 | 240-1104458 | Скоба крепления воздухопроводов | |
| 25 | 240-1104459 | Скоба | |
| 26 | 24-1111614 | Трубка отвода топлива | |
| 27 | 201420-П29 | Болт М6х20 | |
| 28 | 201422-П29 | Болт М6х25 | |
| 29 | 201454-П29 | Болт М8х16 | |
| 30 | 201456-П29 | Болт М8-6gх20 | |
| 31 | 201460-П29 | Болт М8х30 | |
| 32 | 252004-П29 | Шайба | |
| 33 | 252007-П2 | Шайба | |
| 34 | 252134-П2 | Шайба пружинная | |
| 35 | 252135-П2 | Шайба пружинная | |
| 36 | 310096-П2 | Болт специальный М14х1,5х30 | |
| 37 | 310122-П2 | Болт М10х1х22 |
Болт М10х1х22
|
| 38 | 310225-П29 | Болт |
Болт
|
| 39 | 310236-П2 | Болт | |
| 40 | 310239-П29 | Болт |
Болт
|
| 41 | 310260-П2 | Болт | |
| 42 | 312326-П34 | Шайба уплотнительная | |
| 43 | 312482-П34 | Шайба | |
| 44 | 315485-П29 | Кляммер | |
| 45 | 315491-П29 | Кляммер (Сталь) | |
| 46 | 315492-П29 | Кляммер | |

