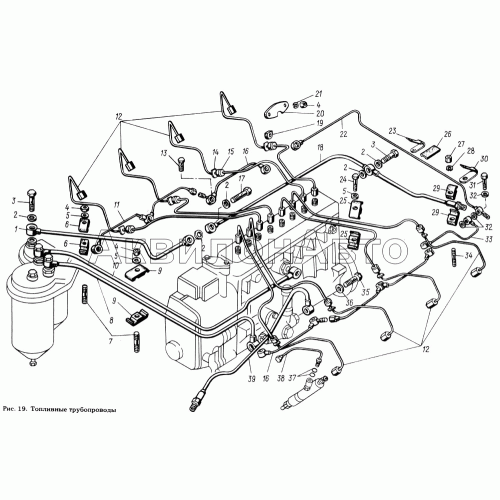
| № | Номер детали | Наименование детали | |
|---|---|---|---|
| 1 | 842.1104384-10 | Трубка отводящая топливного фильтра | |
| 2 | 312326-П | Шайба 14 | |
| 3 | 310096-П29 | Болт | |
| 4 | 250511-П29 | Гайка | |
| 5 | 252005-П29 | Шайба плоская |
Шайба плоская
|
| 6 | 840.1104514 | Скоба в сборе | |
| 7 | 216531-П29 | Шпилька | |
| 8 | 8421.1104422 | Трубка отводящая топливоподкачивающего насоса | |
| 9 | 840.1104446 | Скоба крепления трубок в сборе | |
| 10 | 8421.1104426 | Трубка подводящая кТНВД | |
| 11 | 8423.1104373 | Трубка дренажная длинная | |
| 12 | 840.1112402 | Трубка высокого давления | |
| 13 | 310122-П29 | Болт М10х1х22 |
Болт М10х1х22
|
| 14 | 240.1104342 | Шайба | |
| 15 | 240.1104343 | Шайба | |
| 16 | 8423.1104375 | Трубка топливная дренажная короткая | |
| 17 | 310236-П29 | Болт |
Болт
|
| 18 | 842.1104382-10 | Трубка отводящая топливного насоса высокого давления | |
| 19 | 240-1104344-А | Уплотнитель | |
| 20 | 240-1104345-Б | Фланец | |
| 21 | 252135-П2 | Шайба пружинная | |
| 22 | 8423.1104370-01 | Трубка дренажная | |
| 23 | 840.1104825 | Кляммер крепления дренажной трубки | |
| 24 | 201462-П29 | Болт М8х35 | |
| 25 | 840.1112528 | Скоба | |
| 26 | 840.1104336 | Прокладка | |
| 27 | 250517-П29 | Гайка | |
| 28 | 252136-П2 | Шайба 10 пружинная |
Шайба 10 пружинная
|
| 29 | 8423.1104440 | Колодка | |
| 30 | 8423.1104825 | Кляммер | |
| 31 | 310239-П29 | Болт |
Болт
|
| 32 | 312482-П34 | Шайба | |
| 33 | 842.1104346 | Трубка дренажная | |
| 34 | 216559-П29 | Шпилька | |
| 35 | 310264-П29 | Болт |
Болт
|
| 36 | 201-1015624 | Прокладка |
Прокладка
|
| 37 | 238-1723026 | Кольцо уплотнительное | |
| 38 | 840.1104361-10 | Трубка форсунки дренажная | |
| 39 | 8423.1104410 | Трубка подводящая топливоподкачиваю-щего насоса | |


