Пн-Чт: с 08:00 до 17:00 <br> Пт: с 08:00 до 16:00
+375 (29) 624-09-45

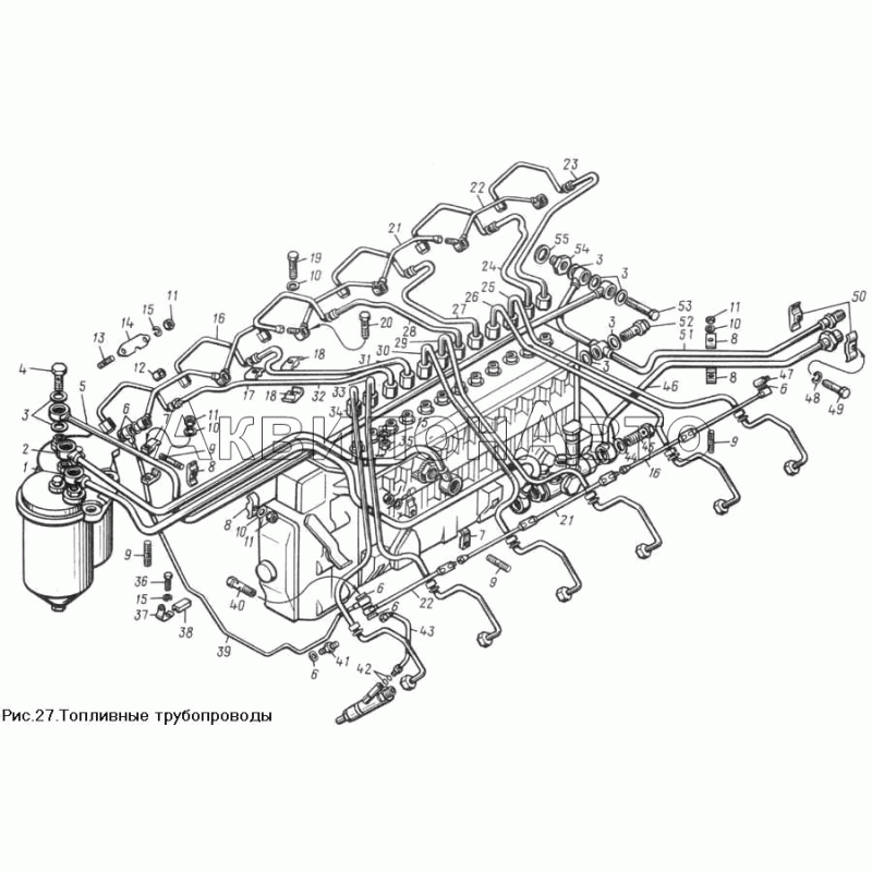
Топливные трубопроводы

  • Топливные трубопроводы
  • Модель: ЯМЗ-850
  • Цены и наличие уточняйте по телефонам
  • +375 (29) 655-44-22
  • +375 (29) 624-09-45

Номер детали Наименование детали
840-1112406-10 Трубка топливная высокого давления (для запасных частей )в сборе
840-1112416-10 Трубка топливная высокого давления (для запасных частей )в сборе
1 850.1104422 Трубка отводящая топливоподкачивающего насоса в сборе
2 850.1104426-01 Трубка подводящая насоса высокого давления в сборе
3 312326-П Шайба 14
4 310096-П29 Болт
Болт Открыть фото
5 850.1104384-01 Трубка отводящая топливного фильтра в сборе
6 312482-П34 Шайба
7 840.1104514 Скоба в сборе
8 840.1104446 Скоба крепления трубок в сборе
9 216531-П29 Шпилька
10 252005-П29 Шайба плоская
Шайба плоская
11 250511-П29 Гайка
12 240-1104344-А Уплотнитель
13 216527-П29 Шпилька
14 240-1112546 Фланец
15 252135-П2 Шайба пружинная
16 8423.1104373-10 Трубка топливная дренажная
17 840.1112522 Колодка
18 840.1112528 Скоба
19 201462-П29 Болт М8х35
20 310122-П29 Болт М10х1х22
Болт М10х1х22
21 840.1104374-10 Трубка топливная дренажная
22 8423.1104375 Трубка топливная дренажная короткая
23 840.1112400-10 Трубка топливная высокого давления 1-ой секция
24 840.1112410-10 Трубка топливная высокого давления 2-ой секции
25 840.1112420-10 Трубка топливная высокого давления 3-ей секции
26 840.1112430-10 Трубка топливная высокого давления 4-ой секции
27 840.1112440-10 Трубка топливная высокого давления 5-ой секции
28 840.1112450-10 Трубка топливная высокого давления 6-ой секции
29 840.1112460-10 Трубка топливная высокого давления 7-ой секции
30 840.1112470-10 Трубка топливная высокого давления 8-ой секции
31 840.1112480-10 Трубка топливная высокого давления 9-ой секции
32 840.1112490-10 Трубка топливная высокого давления 10-ой секции
33 840.1112500-10 Трубка топливная высокого давления 11-ой секции
34 840.1112510-10 Трубка топливная высокого давления 12-ой секции
35 250510-П29 Гайка
36 201454-П29 Болт М8х16
37 840.1104825 Кляммер крепления дренажной трубки
38 840.1104336 Прокладка
39 840.1104370-01 Трубка дренажная форсунок в сборе
40 310239-П29 Болт
Болт
41 840.1104918 Ниппель
42 238-1723026 Кольцо уплотнительное
43 840.1104361-10 Трубка форсунки дренажная
44 201-1015624 Прокладка
Прокладка
45 31064-П29 Болт
46 850.1104410 Трубка подводящая топливоподкачивающего насоса в оборе
47 840.1104349 Наконечник
48 252136-П2 Шайба 10 пружинная
Шайба 10 пружинная
49 201682-П29 Болт
50 840.1104440 Колодка
51 850.1104382 Трубка отводящая насоса высокого давления в сборе
52 66.1111282 Клапан перепускной в сборе
53 310236-П29 Болт
Болт
54 316616-П29 Ввертыш
55 312630-П Шайба

Написать отзыв

Примечание: HTML разметка не поддерживается! Используйте обычный текст.
  Хорошо     Плохо