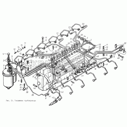
| № | Номер детали | Наименование детали | |
|---|---|---|---|
| 840-1112406 | Трубка топливная высокого давления в сборе (для запасных частей ) | ||
| 1 | 840.1104422-01 | Трубка отводящая топвоподкачивающего насоса в сборе | |
| 2 | 840.1104426-01 | Трубка подводящая насоса высокого давления в сборе | |
| 3 | 312326-П | Шайба 14 | |
| 4 | 310096-П29 | Болт | |
| 5 | 840.1104384-01 | Трубка отводящая топливного фильтра в сборе | |
| 6 | 312482-П34 | Шайба | |
| 7 | 840.1104514 | Скоба в сборе | |
| 8 | 840.1104446 | Скоба крепления трубок в сборе | |
| 9 | 216531-П29 | Шпилька | |
| 10 | 252005-П29 | Шайба плоская |
Шайба плоская
|
| 11 | 250511-П29 | Гайка | |
| 12 | 240-1104344-А | Уплотнитель | |
| 13 | 216527-П29 | Шпилька | |
| 14 | 240-1104345-Б | Фланец | |
| 15 | 252135-П2 | Шайба пружинная | |
| 16 | 840.1104373-10 | Трубка топливная дренажная | |
| 17 | 840.1112522 | Колодка | |
| 18 | 840.1112528 | Скоба | |
| 19 | 201462-П29 | Болт М8х35 | |
| 20 | 310122-П29 | Болт М10х1х22 |
Болт М10х1х22
|
| 21 | 840.1104374-10 | Трубка топливная дренажная | |
| 22 | 840.1104375-10 | Трубка топливная дренажная короткая | |
| 23 | 840.1112400 | Трубка топливная высокого давления 1-ой секция | |
| 24 | 840.1112410 | Трубка топливная высокого давления 2-ой секции | |
| 25 | 840.1112420 | Трубка топливная высокого давления 3-ей секции | |
| 26 | 840.1112430 | Трубка топливная высокого давления 4-ой секции | |
| 27 | 840.1112440 | Трубка топливная высокого давления 5-ой секции | |
| 28 | 840.1112450 | Трубка топливная высокого давления 6-ой секции | |
| 29 | 840.1112460 | Трубка топливная высокого давления 7-ой секции | |
| 30 | 840.1112470 | Трубка топливная высокого давления 8-ой секции | |
| 31 | 840.1112480 | Трубка топливная высокого давления 9-ой секции | |
| 32 | 840.1112490 | Трубка топливная высокого давления 10-ой секции | |
| 33 | 840.1112500 | Трубка топливная высокого давления 11-ой секции | |
| 34 | 840.1112510 | Трубка топливная высокого давления 12-ой секции | |
| 35 | 250510-П29 | Гайка | |
| 36 | 201454-П29 | Болт М8х16 | |
| 37 | 840.1104825 | Кляммер крепления дренажной трубки | |
| 38 | 840.1104336 | Прокладка | |
| 39 | 840.1104370-01 | Трубка дренажная форсунок в сборе | |
| 40 | 310239-П29 | Болт |
Болт
|
| 41 | 840.1104918 | Ниппель | |
| 42 | 238-1723026 | Кольцо уплотнительное | |
| 43 | 840.1104361-10 | Трубка форсунки дренажная | |
| 44 | 201-1015624 | Прокладка |
Прокладка
|
| 45 | 31064-П29 | Болт | |
| 46 | 8401.1104410-02 | Трубка подводящая топливоподкачиваицего насоса в оборе | |
| 47 | 840.1104349 | Наконечник | |
| 48 | 252136-П2 | Шайба 10 пружинная |
Шайба 10 пружинная
|
| 49 | 201682-П29 | Болт | |
| 50 | 840.1104440 | Колодка | |
| 51 | 8401.1104382-04 | Трубка отводящая насоса высокого давления в сборе | |
| 52 | 33.1111282-01 | Клапан перепускной в сборе |
Клапан перепускной в сборе
|
| 53 | 310236-П29 | Болт |
Болт
|
| 54 | 316616-П29 | Ввертыш | |
| 55 | 312630-П | Шайба | |


