Пн-Чт: с 08:00 до 17:00 <br> Пт: с 08:00 до 16:00
+375 (29) 624-09-45

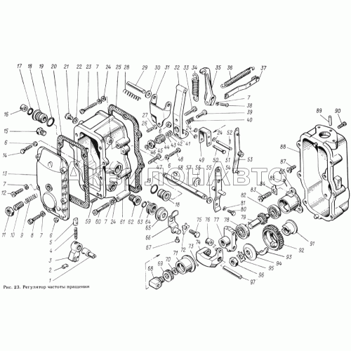
Регулятор частоты вращения

  • Регулятор частоты вращения
  • Модель: ЯМЗ-8423.10
  • Цены и наличие уточняйте по телефонам
  • +375 (29) 655-44-22
  • +375 (29) 624-09-45

Номер детали Наименование детали
42.1110040 Державка грузов со стаканом в сборе
1 236-1110136-Б Ось кулисы
2 60.1110220 Ползун кулисы
3 60.1110132 Кулиса
4 236-1110374-Б Пружина фиксатора
5 236-1110372-Б Фиксатор кулисы
6 250508-П29 Гайка М6
7 252154-П29 Шайба пружинная
8 310611-П29 Винт
9 236-1110490 Пружина буферная
10 236-1110492 Корпус буферной пружины
11 311511-П15 Гайка
12 236Т-1110500 Винт
13 236-1110498-А2 Крышка смотрового люка
14 852002-П29 Болт регулировочный
15 852880-П29 Пробка
16 313955-П29 Заглушка
17 236-1110482 Кольцо уплотнительное
18 236-1110476-Б Втулка вала рычага пружины
19 236-1110479 Кольцо уплотнительное втулки вала рычага
20 236-1110499-А3 Прокладка крышки смотрового люка
21 852369-П29 Винт-заглушка
22 312446-П Шайба
23 310612-П29 Винт
24 312370-П29 Шайба
25 236-1110154-А Прокладка крышки регулятора
26 242519-П15 Винт
27 250511-П15 Гайка
28 236-1110089 Пружина компенсационная
29 236-1110088 Ось рычагов
30 312700-П15 Шайба
31 236-1110080 Рычаг двуплечий
32 238НБ-1110406-А2 Рычаг регулятора
33 852350-П15 Винт
34 42.1110462 Пружина регулятора
35 236-1110466-А Рычаг пружины
36 42.1110448 Пружина рычага
37 42.1110454 Тяга
38 201418-П15 Болт
39 236-1110412 Корректор
40 236-1110414 Пружина корректора
41 236-1110141 Шайба регулировочная
42 236-1110140 Шайба регулировочная
43 312652-П15 Шайба регулировочная
44 236-1110416 Корпус пружины корректора
45 311512-П15 Гайка
46 236-1110418 Кольцо пружинное упорное
47 852357-П29 Винт
48 310142-П29 Болт регулировочный
49 236-1110433 Серьга регулятора
50 317849-П15 Палец
51 236-1110066 Ось пяты упорной
52 258012-П15 Шплинт
53 236-1110443-Б Рычаг рейки в сборе
54 236-1110151 Рычаг управления регулятором
55 312347-П15 Шайба
56 236-1110471 Кольцо пружинное упорное
57 236-1110467 Вал рычага пружины
59 236-1110200 Винт регулировочный
60 222539-П29 Винт
61 60.1110129 Крышка регулятора
62 236-1110134-Б Ввертыш оси кулисы
63 236-1110394 Кольцо уплотнительное в сборе
64 236-1110396 Пружина скобы кулисы возвратная
65 236-1110398 Крышка возвратной пружины
66 42.1110380 Рычаг останова в сборе
67 852006-П29 Болт
68 236-1110065-Б Пята упорная
69 8102 Подшипник шариковый упорный однорядный 15х28х9
70 236-1110067 Кольцо пружинное
71 60.1110062 Муфта грузов
72 236-1110262 Шайба скобы кулисы
73 236-1110064 Шарик 3
74 42.1110045 Груз регулятора
75 201416-П29 Болт М6х12
76 236-1110532 Ролик груза регулятора
77 42.1110046 Державка грузов
78 202 Подшипник шариковый радиальный однорядный
Подшипник шариковый радиальный однорядный Открыть фото
79 236-1110051-В Валик державки грузов
80 201418-П29 Болт М6х16
81 252134-П29 Шайба пружинная
82 200 Подшипник шариковый радиальный однорядный 10х30х9
83 310140-П15 Болт
84 312529-П15 Шайба стопорная
85 236.1110042 Стопор пружинный'
86 236.1110558-В Стакан подшипников
87 311200-П29 Винт
88 423.1110022 Корпус регулятора
89 258639-П15 Штифт
90 260003-П15 Палец
91 236-1110518-Б Втулка ведущей шестерни
92 236-1110516-Б2 Шестерня регулятора ведущая
93 236-1110517-Б2 Сухарь шестерни
94 236-1110521 Фланец втулки шестерни
95 312556-П15 Шайба стопорная
96 250634-П15 Гайка
97 236-1110049 Ось груза регулятора

Написать отзыв

Примечание: HTML разметка не поддерживается! Используйте обычный текст.
  Хорошо     Плохо