Пн-Чт: с 08:00 до 17:00 <br> Пт: с 08:00 до 16:00
+375 (29) 624-09-45

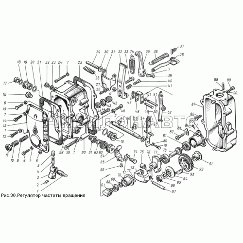
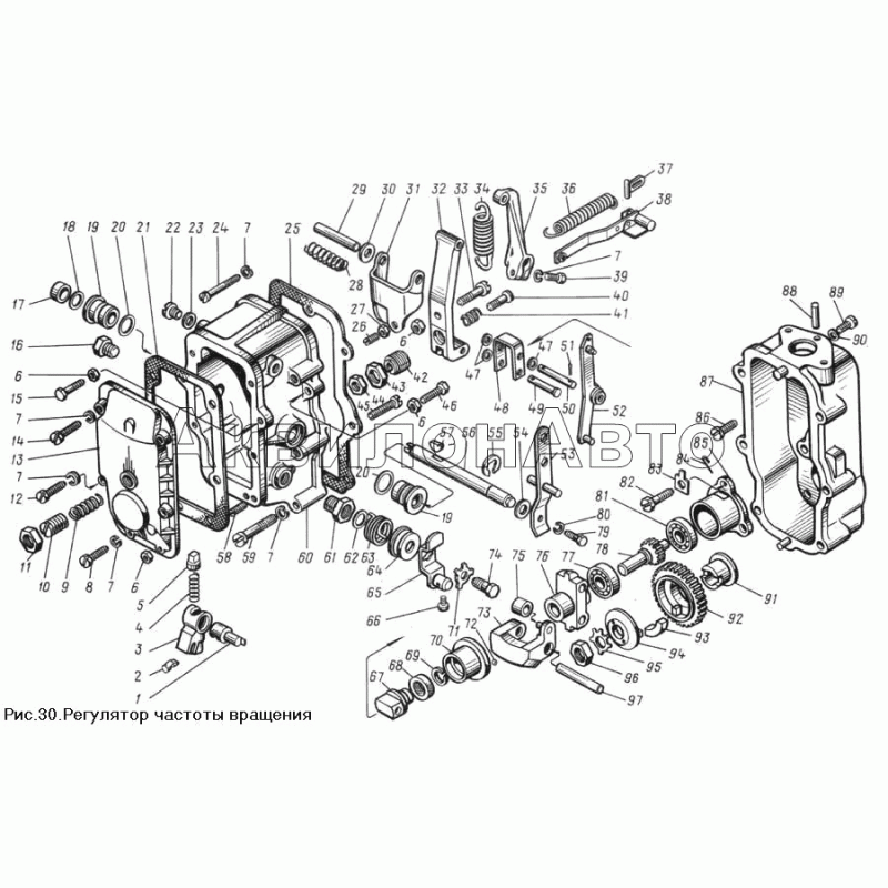
Регулятор частоты вращения

  • Регулятор частоты вращения
  • Модель: ЯМЗ-850
  • Цены и наличие уточняйте по телефонам
  • +375 (29) 655-44-22
  • +375 (29) 624-09-45

Номер детали Наименование детали
240-1110040-А Державка грузов со стаканом в сборе
1 236-1110136-Б Ось кулисы
2 60.1110220 Ползун кулисы
3 60.1110132 Кулиса
4 236-1110374-Б Пружина фиксатора
5 236-1110372-Б Фиксатор кулисы
6 250508-П29 Гайка М6
7 252154-П29 Шайба пружинная
8 310611-П29 Винт
9 236-1110490 Пружина буферная
10 6007.1110492-10 Корпус буферной пружины
11 311511-П29 Гайка
12 222529-П29 Винт
13 60.1110498-01 Крышка смотрового люка
14 310600-П29 Винт
15 310142-П29 Болт регулировочный
16 852880-П29 Пробка
17 313955-П29 Заглушка
18 236-1110482 Кольцо уплотнительное
19 236-1110476-Б Втулка вала рычага пружины
20 236-1110479 Кольцо уплотнительное втулки вала рычага
21 236-1110499-А3 Прокладка крышки смотрового люка
22 852369-П29 Винт-заглушка
23 852205-П Шайба
24 310612-П29 Винт
25 236-1110154-А Прокладка крышки регулятора
26 852364-П15 Винт
27 250511-П15 Гайка
28 236-1110089 Пружина компенсационная
29 236-1110088 Ось рычагов
30 312700-П15 Шайба
31 236-1110080 Рычаг двуплечий
32 238НБ-1110406-А2 Рычаг регулятора
33 852350-П15 Винт
34 42.1110462 Пружина регулятора
35 236-1110466-А Рычаг пружины
36 60.1110448 Пружина рычага рейки
37 60.1110449 Зацеп пружины с планкой и щитком
38 423.1110454-01 Тяга рейки в сборе
39 201418-П15 Болт
40 902.1110412-10 Корректор
41 240Б-1110414-Б Пружина корректора
42 240Б-1110416 Корпус пружины корректора
43 311512-П15 Гайка
45 852372-П29 Винт регулировочный
46 852005-П29 Болт регулировочный
47 312370-П29 Шайба
48 236-1110433 Серьга регулятора
49 317849-П5 Палец
50 236-1110066 Ось пяты упорной
51 258012-П15 Шплинт
52 236-1110441-А Рычаг рейки в сборе
53 236-1110151 Рычаг управления регулятором
54 312347-П15 Шайба
55 236-1110471 Кольцо пружинное упорное
56 236-1110467 Вал рычага пружины
57 314003-П Шпонка сегментная
58 236-1110200 Винт регулировочный
59 222539-П29 Винт
60 60.1110129 Крышка регулятора
61 236-1110134-Б Ввертыш оси кулисы
62 236-1110394 Кольцо уплотнительное в сборе
63 236-1110396 Пружина скобы кулисы возвратная
64 236-1110398 Крышка возвратной пружины
65 42.1110380-10 Рычаг останова в сборе
66 852006-П29 Болт
67 236-1110065-Б Пята упорная
68 8102 Подшипник шариковый упорный однорядный 15х28х9
69 236-1110067 Кольцо пружинное
70 60.1110062-01 Муфта грузов
71 236-1110262 Шайба скобы кулисы
72 236-1110064 Шарик 3
73 240-1110045 Груз регулятора в сборе
74 201416-П29 Болт М6х12
75 236-1110532 Ролик груза регулятора
76 236-1110046-Б Державка грузов
77 202 Подшипник шариковый радиальный однорядный
Подшипник шариковый радиальный однорядный Открыть фото
78 236-1110051-В Валик державки грузов
79 201418-П29 Болт М6х16
80 252134-П29 Шайба пружинная
81 200 Подшипник шариковый радиальный однорядный 10х30х9
82 310140-П15 Болт
83 312529-П15 Шайба стопорная
84 236-1110042 Стопор пружинный
85 236-1110558-В Стакан подшипников валика державки
86 311200-П29 Винт
87 423.1110022 Корпус регулятора
88 258639-П15 Штифт
89 260003-П15 Палец
91 236-1110518-Б Втулка ведущей шестерни
92 236-1110516-Б2 Шестерня регулятора ведущая
93 236-1110517-Б2 Сухарь шестерни
94 236-1110521 Фланец втулки шестерни
95 312556-П15 Шайба стопорная
96 250634-П15 Гайка
97 236-1110049 Ось груза регулятора

Написать отзыв

Примечание: HTML разметка не поддерживается! Используйте обычный текст.
  Хорошо     Плохо