Пн-Чт: с 08:00 до 17:00 <br> Пт: с 08:00 до 16:00
+375 (29) 624-09-45

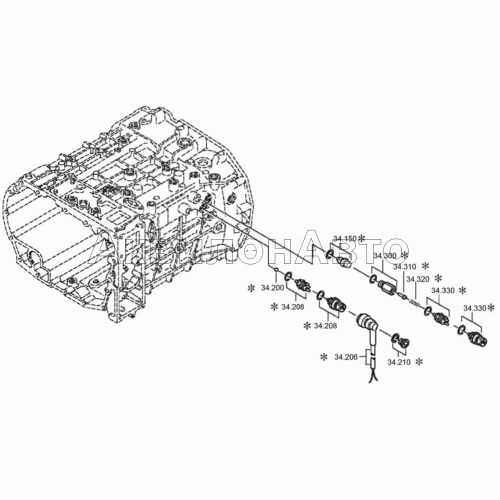
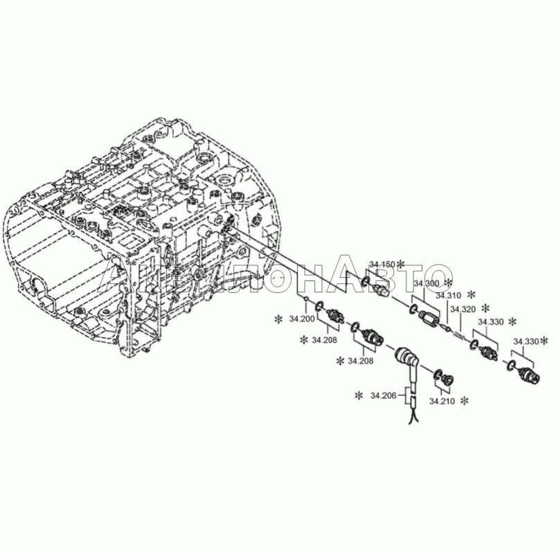
Соединительные детали

  • Соединительные детали
  • Модель: ЯМЗ-536-100
  • Цены и наличие уточняйте по телефонам
  • +375 (29) 655-44-22
  • +375 (29) 624-09-45

Номер детали Наименование детали
34,208 0501.216.474 Переключатель
34.030 0501.328.038 Поршень
34.090 0634.313.338 О-кольцо
34,208 0634.801.062 Уплотнительное кольцо
34,200 0635.460.024 Шарик
34,208 0700.300.427 Защитный колпачок
34.150 0730.008.604 Уплотнительное кольцо
34.100 0736.300.123 Болт с 6-гранной головкой
34.070 0737.300.037 Контргайка
34.020 0750.112.047 Шляповидный манжет
34.140 1272.334.003 Сухарь
34.110 1304.334.063 Вилка переключения передач
34.080 1304.334.079 Цилиндр
34.150 1324.207.035 Стопор
34.010 1324.334.009 Шток вилки переключения передач
34.120 Винт Соединительный винт

Написать отзыв

Примечание: HTML разметка не поддерживается! Используйте обычный текст.
  Хорошо     Плохо